Rexroth MNR: R921807085
Sijainti
Tuotetiedot
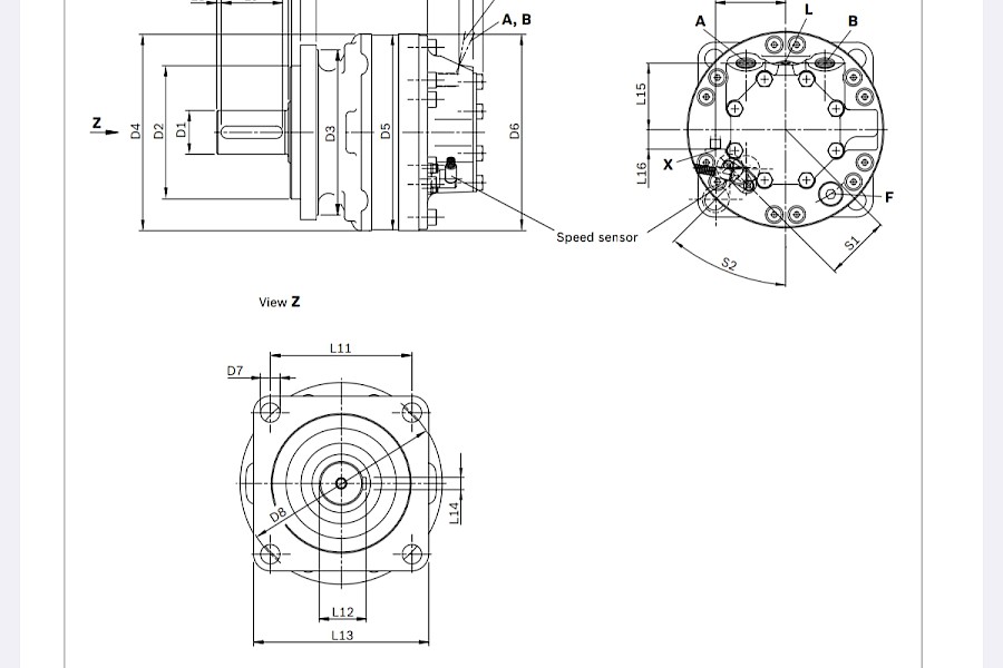
Bosch Rexroth MCR-D- säteismäntämoottoreissa on etukotelon kiinnitys ja kiilallinen rinnakkaisakseli.
Sarjojen MCR-D- ja MCR-E-moottoreissa on samanlainen pyöriva ryhmä ja takakotelon kokoonpano, mutta niillä on erilaiset etukotelon kiinnitykset.
Nämä moottorit on tarkoitettu avoimen tai suljetun piirin käyttömoottoreiksi erilaisiin teollisiin sovelluksiin. MCR-D-moottoreita on saatavana runkokooissa: MCR3D/ MCR5D/ MCR10D.
Iskutilavuudeltaan 160cm3/kierros-1340cm3/kierros. Paine-ero on jopa 450 bar, vääntömomentti jopa 4800 Nm ja nopeudt jopa 875 rpm. Katso lisätietoja ''Tekniset tiedot''-välilihdeltä.
Bosch Rexroth MCR-D- moottorin muita ominaisuuksia ovat:
- Kompakti ja kestävä rakenne;
- Korkea tilavuus- ja mekaaninen hyötysuhde;
- Etukotelon kiinnitys;
- Rinnakkaisakseli kiilalla;
- Korkea luotettavuus;
- Vähäinen huoltotarve;
- Sujuva käynti erittäin alhaisilla nopeuksilla;
- Matala melu;
- Kaksisuuntainen;
- Tiivistetyt kartiorullalaakerit
- Vapaakäynti mahdollista
- Saatavilla seuraavilla varusteilla: pitojarru (monilevyinen), kaksisuuntainen kaksinopeus, integroitu huuhteluventtiili, nopeusanturi.
REXROTH MNR: R921807085
CNR: 24260795
TYP: MCR3D160L40Z32A0M1L01
SN: 1853308
FD:12W10
akselin Ø 40
akselin pituus: 90
Paino : 20,6 kg
Country of Origin: United Kingdom.







